解决方案
高压变频器在宝源矿业公司矿井提升机的应用
1引言
湖南省煤业集团有限公司(简称湘煤集团)是经湖南省人民政府批准设立的大型省属国有独资企业,是全国煤炭百强企业和全国煤炭产量50强企业,是省政府确定的全省能源保障主平台和省政府重点支持加快发展的九大企业之一,总设计生产能力3000万吨/年。
2009年,湘煤集团集中原煤优势资产,联合国电、大唐等大型企业共同发起设立了湖南黑金时代股份有限公司,宝源矿业有限公司是其下辖的子公司之一。
北平硐矿是宝源矿业公司下属两个矿井之一,北平硐矿井副井提升机采用绕线式异步电动机拖动,电机的调速方式采用传统的串电阻调速方式,该调速方式属于落后技术,存在以下缺点:
(1)大量的电能消耗在转差电阻上,造成了严重的能源浪费。
(2)控制系统复杂,导致系统的故障率高,接触器、电阻器、绕线电机碳刷容易损坏,维护工作量很大,直接影响了生产效率。
(3)低速和爬行阶段需要依靠制动闸皮摩擦滚筒实现速度控制,特别是在负载发生变化时,很难实现减速控制,导致调速不连续、速度控制性能较差。
(4)启动和换档冲击电流大,造成了很大的机械冲击,导致电机的使用寿命大大降低,而且极容易出现“掉道”现象。
(5)自动化程度不高,增加了开采成本,影响了产量。
(6)低速段的启动力矩小,机械特性比较软,带负载能力差,无法实现恒转矩提升。
针对以上这些问题,煤矿决定对原系统进行改造。根据当今科技的发展,采用技术含量较高的变频调速,替代原来的绕线电机串电阻调速,是较理想的方案。经矿方多方面考察多个用户现场,选用山东AK集团官网(中国)官方网站电子科技发展有限公司生产的风光牌JD-BP37-500T型高压变频器提升系统。
2 改造设备介绍
宝源煤业公司北平硐矿副井绞车现场使用两个操作系统,原操作系统控制工频运行。新操作系统为山西华威提供,控制变频运行。互为备用,保证提升机安全运行。两个操作系统共用一个绞车系统。
2.1现场提升设备参数
设备配置如表1所示。现场设备如图1所示。



图1 现场设备图
2.2高压提升机变频器参数
AK集团官网(中国)官方网站电子公司是国内较早的从事提升机变频器研究的专业厂家,风光牌高压提升机变频器被列入国家火炬计划,产品荣获国家重点新产品、山东省科技进步奖,产品被列入国家重点节能技术推广目录第一批名单。
JD-BP37-T系列高性能高压变频调速产品,在以高速DSP(TMS320F2812)为控制核心,结合先进的无速度传感器矢量控制技术,融合了先进的能量回馈技术,以及可靠的lGBT大电流驱动技术,是新一代高性能高压变频调速产品的典型代表。矢量控制功能使得异步电机启动转矩大,动态转矩响应好,调速精度高。能量回馈技术的应用,使得功率单元串联型高压变频器具备了四象限运行能力,能量可以在电网和电机之间双向流动。高压提升机变频调速系统被列为国家火炬计划项目,获科技部中小企业技术创新基金项目资助。
风光高压提升机变频器具体参数如表2所示。

3改造方案
3.1主回路方案
为了确保安全可靠,让变频调速系统与原调速系统并存,互为备用,随时可以切换。改造系统控制思路如图2所示:

图2 工、变频系统切换控制
高压提升机变频器是整个改造系统的一个核心部分,它具有与电控系统相适配的各种接口。配合自动控制的操作台运行时,电控台向变频器发出“正转运行”、“反转运行”和“变频急停”三路开关量信号,以及一路4~20mA“给定转速”信号。变频器向电控台发出“变频器待机”、“变频器故障”和“安全回路”三路开关量信号,以及用于显示的模拟量输出信号。电控台控制高压断路器分、合闸,分别连入相应的控制回路中。绞车上安装的轴编码器向电控台发出电机转速及绞车位置信号。电控台接受绞车司机的操作指令。
整个提升机系统中设有深度指示失效、限速、过卷、反转、制动油过压、闸瓦磨损、松绳、速度监视、制动油超温、润滑油超压欠压、变频器的轻重故障等保护功能。系统能根据故障性质作出响应,必要时实施紧急制动,确保设备及人员的安全。
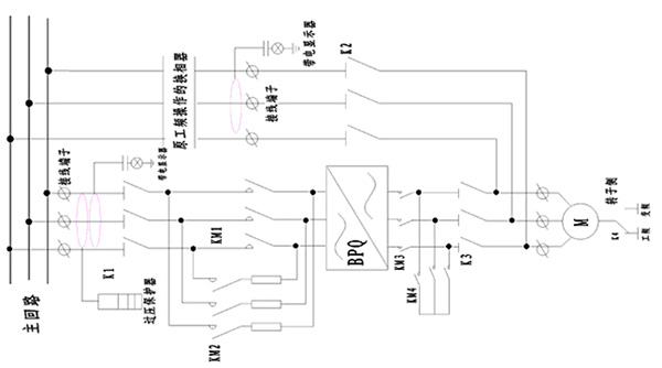
主回路改造原理如图3所示:

图3 主回路改造图
图3中K1、K2、K3为三台高压隔离开关,为了确保不向变频器输出端反送电,K1、K3与K2采用电磁互锁操动机构,实现电磁和机械互锁。K4为转子侧双掷开关,变频运行时,K4切换到变频侧,绕线电机转子线圈经双掷开关K4后处于短接状态;工频运行时,K4切换到工频侧,绕线电机转子线圈经K4接至原调速电阻装置。当K1、K3闭合,K2断开,K4切换到变频侧,电机变频运行;当K1、K3断开,K2闭合,K4切换到工频侧,电机工频运行,此时变频器从高压中隔离出来,便于检修、维护和调试。另外,为了保证安全,变频器高压连跳信号和上一级的高压断路器也实现互锁,变频器高压连跳串入上一级高压断路器的脱扣线圈,变频器出现故障时,上一级的高压断路器断开,实现高压故障连跳功能。
3.2液压制动系统的控制
矿山提升机首先要求的是保证人员和设备的安全,最重要的保证安全的设备是制动系统,目前多采用的液压制动系统要求电控系统对其阀组进行控制以完成其正确的松闸、合闸动作。从电控系统的角度来看,液压站是安全保护的执行设备。如果变频器在运行过程中,发生故障,停机保护,则变频器内置PLC与液压站配合,完成提升机的停机过程,或者转工频运行。表3为该液压站的阀组闭合动作逻辑:

1DT、2DT、3DT、4DT、5DT、6DT为液压站电磁阀,电控系统PLC通过控制该六组电磁阀来控制制动油泵的起动,提供制动系统中需要的压力。另外,通过控制六组电磁阀的开关状态来实现:正常停车、井中紧急制动、井口紧急制动及跳绳离合器等动作。
3.3控制回路
该提升机变频系统采用双PLC控制。高压变频器内配置一套PLC用于柜体内开关信号的逻辑处理,以及与现场各种操作信号和状态信号的协调;操作台内配置一套PLC用于变频系统和原工频系统所有操作信号的逻辑处理,实现变频器的自动、半自动运行。工变频系统控制关系如图4所示。

(1)变频工作
操作台人机界面启动变频操作画面,根据工况要求,绞车司机通过操作台首先给出上提(下放)指令,操作台PLC向变频器发出上提(下放)信号,然后司机推动闸把手柄给出松闸信号,变频器PLC接收到信号后启动变频器。绞车司机通过推动档位手柄调节档位,操作台PLC根据当前的档位给出4~20mA频率给定信号来控制变频器的运行频率,达到控制绞车运行速度的目的。
(2)工频工作
操作台人机界面启动工频操作画面,根据工况要求,绞车司机通过操作台给出上提(下放)指令,操作台PLC控制换相柜内的换相接触器来改变三相高压电的相序,实现电机的正反转;然后司机推动闸把手柄,电机起动。绞车司机通过推动档位手柄调节档位,操作台PLC根据当前档位分别控制KM1、KM2、KM3、KM4来调节绞车的速度。
(3)安全回路
变频器高压联跳信号与操作台紧急跳闸信号串联起来,一起串入该系统的安全回路。当变频器出现故障或者操作台发出紧急跳闸信号,上一级的高压断路器断开,同时制动系统紧急抱闸,保证生产安全。
4高压提升机调试情况
4.1模拟电控试验
通控制电调试时必须确保高压电不能加到变频器上,以确保人身安全;
(1)通上交流220V控制电,合上控制柜。旁路柜内断路器,打开UPS,触摸屏自动进入监控程序;
(2)合旁路柜主回路上的隔离开关(可以不合K1,把K1到PLC的节点短接,试完必须复位);
(3)短接高压就绪;
(4)操作电控上的主令和付令信号控制变频器运行,调节上提(下放)频率运行到50Hz;用示波器测量单元输出波形和总输出波形是否正确,如果示波器看到的波形比较模糊,建议在变压器输入加入220VAC电源,输出电压开环控制状态下看输出波形;
(5)电控给变频的主令和付令信号:主令和付令信号应是独立,应是经电控处理后给出。主要检测是否存在下面2个问题:
①制动泵不启动而主令和付令信号给出到变频器,这样变频器运行时电机堵转,变频器会过流保护或者损坏。
②制动泵不启动时是否存在主令或副令中有一个信号给出到变频器,这样变频器会出输制动信号电机有制动电流,长时间制动有可能出现烧坏电机的现象;
(6)电控在检测到变频器就绪后启动制动泵、润滑泵。制动泵、润滑启动后操作主令和付令给出上提(下放)松闸信号变频运行。(制动泵、润滑泵不启动不能给出上提下放信号,即安全回路输入信号报故障);
(7)试验变频与工频的互锁;
(8)试验电磁锁;
(9)试验变频器的各项保护功能,报警功能与分断外部高压功能;
(10)试验变频与电控之间的各种功能,确保各种互锁与信号逻辑的正确性。
4.2现场通高压电调试
(1)将高压电送至变频器,无特殊情况不允许在通高压电开机运行的情况下测量输出或是其他地方,如需测调试人员需做好安全防护并经技术人员允许后再测试,以免出现安全事故;
(2)在不开机状态下测量功率单元输入电压,并换算到隔离变压器初级,看电网电压高低情况,来判断是否需要调整变压器电压抽头,并做好记录;
(3)试验工频变频状态下,电机转向是否一致。如果不一致,则将变频器三相输出中任意两相更换位置。
(4)轻载试验:
①设定变频器的基本参数。上升时间为15s,下降时间为15s,上限频率50Hz,下限频率1.5Hz,额定频率50Hz,功能设置4,制动电流(设为不超过额定电流的1.5倍,设定过小重物上提时电机会反转),频率稳定度为0.1Hz,电流系数为出厂值,额定电压为变频器的额定电压,低频补偿为20(重载试验时在调整),额定电流为电机的额电流,输出电压下降时间为0,频率到达信号45Hz,启动频率0.5Hz,比例系数控制为350以出厂为准,反转频率上限为25Hz(重载试验完后调整为50Hz或现场要求的速度)输出电压闭环系数为出厂值,定子电阻系数为0。
②开机上提和下放观察减速区内有否超速现象和提升机的回馈是否正常,超速减小下降时间再试,回馈不正常查明原因后再试。轻载正常转入重载试验。
(5)重载试验:上升时间为15s,下降时间为15s,上限频率50Hz,下限频率1.5Hz,反转上限频率为25Hz,上提看电机是否反转如反转停机增加低频补偿值以不出现反转为准,下放看变频回馈是否正常,正常停机后反转上限频率调整为30Hz,再上提下放一次如正常反转上限频率调整为35Hz,每试一次反转上限频率增加5Hz,到50Hz后。调整上升下降时间,每开一次机调整2s时间以满足现场要求。调试正常后记录下变频器的基本参数。
5各种保护的观察和试验
(1)高压断电保护:在安全继电器吸合情况下,踩下右下角的脚踏开关,高压开关掉电,安全回路继电器立即断电。
(2)主令位置保护:主令不在零位的情况下,安全回路继电器断电后,安全条件具备灯不会得电。
(3)手闸位置保护:在手闸推上情况下,安全回路继电器断电后,此时安全条件具备灯不会得电。
(4)减速过速保护:当提升机运行到减速点时,有减速报警及减速功能,如超过给定的12%时安全继电器立即断电,同时伴有语言报警;试验减速过速时,在减速区按住慢上按钮,当速度超过0.5m/s安全回路立即断电,同时伴有语言报警。
(5)等速段超速保护:当正常速度超过额定速度的15%时,在或等速区时按住慢上速度超过0.5m/s安全回路立即断电,同时伴有语言报警。
(6)制动油过压保护:人为使制动油压增加到大于6.2MPa,安全回路继电器立即断电,制动泵停止。
(7)接近井口的2m/s限速保护:此项保护可通过观察提升机运行过程中2m/s速度继电器工作的正确性和接近井口的位置继电器工作的正确性来判断。也可以按住慢下按钮,使提升机运行到接近停车位置8m时速度超过0.4m/s来试验。
(8)过卷保护:该保护有2处,即监控机过卷、主控机过卷,可采用暂时短接1处,判断1处的办法进行,作此项试验时,一定要使提升机运行到过卷位置,但速度不可过快,任意一处动作都会使安全回路继电器断电。
(9)轴编码器坏保护:在提升机慢速运行时,将任一个轴编码器的输出线断开,提升机运行4m后,安全回路继电器立即断电。
(10)润滑油欠压:如果润滑油压低于0.05MPa时,无法打上信号。
(11)闸间隙保护:人为动作后有语言报警。
(12)错向保护:人为使提升机向反方向运行,速度超0.5m/s或行程超过1m,安全回路掉电。
6现场应用情况及运行效果
从目前运行情况看,副井提升绞车变频改造后,实现了电动机的真正软启动,缩短了提升时间,减少维护工作量,提高了生产效率。大大提高了提升机的安全运行。高压提升机变频器现场运行如图5所示。

图5风光高压提升机变频器现场运行图
绞车改造后,整个变频提升系统具有如下特点:
(1)变频系统甩掉了原电控调速用的交流接触器及调速电阻,提高了系统的可靠性,改善了操作人员的工作环境。
(2)实现了绞车电机的软起动和软停止,使运行更加平稳,机械冲击小。
(3)启动及加速过程冲击电流小,加速过程中最大启动电流不超过1.3倍的额定电流,提升机在重载下从低速平稳无级平滑地升至最高速,也没有大电流出现,大大地减小了对电网的冲击。
(4)增加了直流制动功能,使重车停车时更加平稳。
(5) 节能效果显著。据实测,在低速段节能明显,一般可达到20%左右。采用回馈制动,节能效果越明显。
(6) 保护功能齐全,除了过压、欠压、过载、过热、短路等自身保护外,还设有外围控制的连锁保护,包括制动闸信号与正、反转信号的连锁,变频器故障信号与系统安全回路的连锁,机内备有自动减速程序等。对提升机运行过程中的参数及可能危及提升机正常运行的设备进行监测,并具有故障显示、报警功能。
鉴于风光高压提升变频系统改造的良好效果,湘煤集团下属的多家煤矿改造的绞车变频提升系统均采用AK集团官网(中国)官方网站电子公司生产的高压产品。