
产品与解决方案/PRODUCT AND SOLUTIONS
少用电 用好电 再生电 存储电 防爆电
产品系列

35kV户内水冷动态无功补偿装置
FGSVG系列高压动态无功补偿装置,以多片DSP+FPGA为控制核心,采用瞬时无功理论控制技术、FFT快速谐波计算技术、大功率IGBT驱动技术,以高可靠性、易操作、高性能为设计目标,能够快速连续地提供容性或感性无功功率,实现恒考核点无功功率、恒考核点电压和恒考核点功率因数,以及综合补偿等多种控制模式。FGSVG系列高压动态无功补偿装置,不仅可以自动补偿无功,还可以同时动态补偿谐波,保障电力系统稳定地运行。
在输配电网中,新能源的大量接入,大容量的电力电子设备等非线性负荷和冲击负荷的广泛应用,带来了严重的电能质量问题,使用FGSVG高压动态无功补偿装置,可以显著地改善负荷与公共电网连接点处的电能质量,例如提高功率因数、克服三相不平衡、消除电压闪变和电压波动、抑止谐波污染等。
FGSVG高压动态无功补偿装置,于2013年被发改委列为重大技术产业化项目;2014年荣获赛尔传媒 “电能质量品牌”奖项;2015年,35kV直挂式FGSVG装置被科技部列为火炬计划产业化示范项目,获科技部中小企业技术创新基金项目资助;2017年获山东省优秀节能成果奖; 2018年再次荣获“光能杯”CREC“年度光伏电站优质部件企业”奖。2018年AK集团官网(中国)官方网站百兆级高压水冷SVG成功通过中国电科院型式试验检测验收。
35kV水冷直挂FGSVG系列产品采用现代电力电子、自动化、微电子及网络通讯等技术,采用先进的瞬时无功功率理论和基于同步坐标变换的功率解耦算法,以设定的无功性质及大小、功率因数、电网电压等为控制目标运行,动态的跟踪电网电能质量变化调节无功输出,并能实现曲线设定运行,提升电网质量。
易操作、高性能、高可靠性的FGSVG系列产品为满足用户对提高输配电电网的功率因数、治理谐波、补偿负序电流的迫切需求做出相应设计,具有以下特点:
● 快速响应,先人一步:全系列采用瞬时无功理论,控制器响应时间≤1ms,全功率响应时间≤5ms,特别适合于无功响应时间要求严格的场合,如轧钢、炼钢、提升类以及冲击性负荷。
● 负序抑制,平衡系统:配电网中存在大量的三相不平衡负载,典型的如电力机车牵引负荷和交流电弧炉等。同时线路、变压器等输配电设备三相阻抗的不平衡也会导致电压的不平衡问题产生。SVG能够快速的补偿由于负载不平衡所产生的负序电流,始终保证流入电网的三相电流平衡,大大提高了供用电的电能质量。
● 模式多样,随心所欲:具有多种运行模式,满足用户多种需求,运行模式有:恒装置无功功率模式、恒考核点无功功率模式、恒考核点功率因数模式、恒考核点电压模式、负序补偿模式,可在线转换运行模式,也可按照客户需求编制运行曲线。
● 谐波治理,保证安全:装置可有效补偿13次及以下谐波,补偿率最多可达92%,从而有效避免了保护及安全自动装置误动作;有效避免了电容器模组谐波及谐波电流放大,使电容器过负荷或过电压,甚至烧毁;解决了增加变压器损耗,引起变压器发热,以及导致电力设备发热,电机力矩不稳甚至损坏的问题;避免了加速电力设备绝缘老化,易击穿和降低电弧炉生产效率,增加损耗以及干扰通讯信号问题。
● 远距送电,减损稳压:在长距离输电线路上安装SVG装置,不但可以在正常运行状态下补偿线路的无功损耗,抬高线路电压,提高有效输电容量,而且还可以在系统故障情况下提供及时的无功调节,阻尼系统振荡,提高输电系统稳定性。
● 精准补偿,变罚为奖:很多现场因考核点功率因数低于供电局要求,势必产生力调电费罚款。SVG可根据考核点设置的功率因数目标值,实时无级调节装置补偿的无功功率,使考核点的功率因数稳定在设定的目标值,杜绝因功率因数不达标而被罚款或者过度补偿造成的电网不稳定现象发生,也杜绝了因过补、欠补带来的经济损失。
● 保护齐全,使用无忧:保护策略包括器件级保护、装置级保护和系统级保护三级。器件级保护的动作时限不超过10us,在发现器件过流、过压或驱动信号异常时,能够迅速实施保护。装置级保护的动作时限为0.5-1ms,当发现装置有过载、直流电压过高等异常工况时,便实施保护。系统级保护的动作时限为5-2000ms,当发现系统失压、系统电压过高、冷却系统故障等异常工况时,便实施保护。
● 全程录波,智能分析:主控系统不仅实时监测输入电流、电压,输出电流、电压,并实现其波形的显示,还可对每相电压、电流进行谐波分析,有助于用户掌握设备的各种电量参数。
● 黑匣记录,精准诊断:设备具有自动记录运行状态和显示的功能,可查看保护前后共计200个点(100ms)的电流、电压、运行频率,方便日常维护及快速异常诊断。
● 接口丰富,即插即用:具有以太网、RS485、CAN、高速光纤等通讯接口,支持MODBUS_ RTU、 ProfiBUS、电力CDT91规约、IEC61850- 103/104、CANOPEN协议用户自定义等通讯规约,可以实现远程监控,无人值守。
● 模块设计,简便快捷:功率单元、供电电源、主控系统、二次配线等采用模块化设计,便于规模化生产和现场安装与维护。
● 安规在线,确保安全:全系风冷设备外部壳体完全按照安全规范设计,具有在线操作、易维护特点,在设备带电运行时,无需停机停电,运维人员可以直接进行更换进风窗过滤棉、就地操作、就地查看运行数据等操作。
● 提前预警,运行无忧:主控制系统实时监测并显示每个功率单元的温度,当多个单元温度超过设定警值时,给出声光报警,提示用户及时处理,以免出现散热风机跳闸、滤网堵塞等问题。
● 多机协同,扩容无忧:SVG具有多个装置并联运行的接口,可满足现场:1)现有补偿容量不够,扩容增加设备时,多台SVG设备并联运行,通过主从控制方式,使多套设备协同补偿,宛如一套设备,实现扩容无忧; 2)正常运行方式时:每台SVG单机独立运行,故障运行方式时:多机自动转为并联运行模式,协同补偿。
● 高低穿越,极端无惧:在用户主电源电压瞬时跌落、瞬时升高、厂用电网大负荷切换时,在国标允许的范围内,电网恢复后SVG可快速的自动正常运行,无需人员操作,增强电网适应性,可适应不同深度的U0(100%-0%)电网跌落。
● 电压闪变,波动可抑:在负荷急剧变化时,易产生电压波动和闪变现象,比如电弧炉、轧机、氧气站透平空压机组等。SVG能够根据电网电压变化情况,快速的提供变化的无功电流,以补偿负荷变化引起的电压波动和闪变现象。
● 双源供电,稳定可靠:控制电源采用380VAC、2200VAC或220VDC两种电压制式供电,并且两种电源互为在线式热备;若一路电源出现停电时,另一路可以无缝切换,继续为控制电源供电,同时通过继电保护电路报警和HMI(人机界面)显示哪一路出现停电。
● 柜体防扰,电磁兼容:整机柜体采用抗干扰设计,通过相关机构检测了静电放电抗扰度试验、浪涌(冲击)抗扰度试验、射频电磁场辐射抗扰度试验、电快速脉冲群抗扰度试验等EMC试验。
● 防尘防水 IP65:针对现场粉尘特别多,特别是导电粉尘较多,以及湿度水汽、盐雾特别多的场合,我司特别研制了IP65防护等级的设备供客户选择。
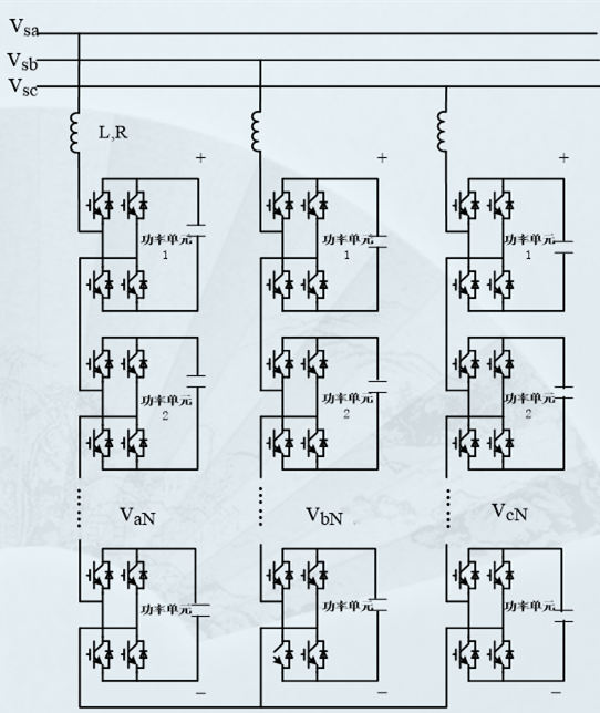
FGSVG高压动态无功补偿装置由控制柜、功率柜、电抗器组成。控制柜主要控制箱、二次控制逻辑电路,其中控制箱通过光纤连接到功率单元。在功率柜里有三相功率单元,根据电网电压等级不同,每相由若干个功率单元串联组成,最后通过电抗器接入电网。

功率单元采用级联式H桥电路结构,功率单元串联,输出叠加成高压,通过电抗器接入电网;功率单元模块化设计,各单元可以互换。

FGSVG控制系统采集电网电压、电流信号,采用瞬时无功控制理论,快速计算出各功率单元的电流指令,并通过光纤传给各功率单元。功率柜每相由若干个功率单元串联,采用载波移相技术,各单元输出电压叠加,形成多电平高压输出,通过电抗器连接到电网,输出可控的无功电流。
在交流电路中,电压和电流的相位有三种情况,当负载呈现纯电阻特性时,电压和电流相位相同;当负载呈现电感特性时,电压相位超前电流相位;当负载呈现电容特性时,电压相位滞后电流相位。FGSVG高压动态无功补偿装置基本原理就是将可控H桥电路通过电抗器并联到电网上,适当调节桥式电路输出电压的幅值和相位,或者直接控制其输出电流,使该电路吸收或者发出满足电网需求的无功电流,实现动态无功补偿的目的,如下表所示。

1.低电压穿越技术
FGSVG高压动态无功补偿装置通过持续的技术创新,开发设计了全性能低电压穿越技术。无论三相短路故障、相间短路故障,还是低穿到90%或20%,FGSVG都可以提供额定的容性电流。对于不平衡低穿,AK集团官网(中国)官方网站提出了双锁相环、双pq控制理论。
2017年我公司高压动态无功补偿装置通过电力工业电气设备质量检验测试中心全面测试。并网点A相电压不变,B、C电压瞬间跌落至20%,维持2s ,然后2s上升至额定,1min内重复三次,测试数据如下图,测试结果符合要求。

2.谐波补偿技术
在中频炉、电解铝等工矿企业,由于大功率、非线性负载的接入,导致低频次电流谐波注入电网,严重时影响其它设备的稳定运行。我公司SVG采用离散傅氏变换的快速算法、瞬时无功理论算法,开发出了具有谐波补偿功能的高压动态无功补偿装置。由于SVG载波频率较低(可提高运行效率),治理25次及以下频次的谐波,谐波频次越低补偿率越高。

3.负序补偿技术
电力系统中存在大量的不平衡负荷及一些单相大容量负荷,例如电气化铁路。这些负荷产生的负序、无功电流造成大量的电能损失,威胁着电力系统的安全和经济运行。

我公司生产的角型链式SVG,是一种理想的补偿治理方法,响应速度快,可进行无功、负序综合治理。通过对补偿电路的相量图进行几何分析,求解得到负序补偿所需要的相电流相量,进而根据瞬时无功功率理论,推导出dq/△变换矩阵,可得到角型链式SVG负序补偿所需的相电流指令信号。
4.多机并联协调控制技术
随着电力系统容量的不断增加,电力系统对无功补偿装置的容量需求也不断增加,由于目前受IGBT技术和用户分工期投运的制约,在现场会出现多台SVG设备并联在用一段母线运行,这就需要SVG设备能够并联运行,需要并联运行各SVG可以自动功率平衡。
我公司发明了一种简单、高效的SVG并联运行环形光纤控制系统。并联运行的SVG控制器通过光纤连接成环,并联台数不受控制器光纤接口个数的限制。环内可以使用不同功率等级的SVG,并自动平衡无功功率输出,合理的利用各SVG出力。环内的任何一台SVG都可以设置为主机,从机故障不影响其它SVG设备运行。

5.PT、CT接线自动分析技术
在现场,SVG通过现场的PT和CT,采集系统电压和电流信号,PT接线直接影响SVG锁相、并网,CT接线直接影响SVG对考核点无功、功率因数的计算。
我公司SVG具有PT、CT接线自动分析功能,使并网调试变得非常简单、高效。

6.控制系统自检技术
FGSVG系列高压动态无功补偿装置,控制系统采用多片DSP+FPGA技术,控制系统复杂。为了整机可靠运行,使用DSP对控制箱内线路板进行上电自检,假如控制箱内的线路板有问题,可以快速定位问题点,提高工作效率和产品智能化水平。

7.串行光纤通信技术
为了强电与弱电之间进行隔离,SVG控制器与各功率单元之间通过光纤连接。目前SVG控制器与功率单元之间的典型光纤连接方式是每个功率单元通过两根光纤连接到SVG控制器。
我公司发明了一种串行光纤通信技术,并已经申请专利。SVG控制器与功率单元通过光纤连接成多个串行光纤通信回路,使SVG控制器的光纤接口数量和光纤的数量显著减少,提高生产效率并降低故障率。

8.跟踪响应速度快
FGSVG系列高压动态无功补偿装置,通过南京电科院、武高所等第三方测试单位的测试,响应时间小于5ms。
跟踪响应时间(突减)测量波形(上:系统 中:负载下:试品)
● 额定工作电压:35kV;
● 额定容量:±5~±200Mvar;
● 输出无功范围:感性额定无功到容性额定无功范围内连续变化;
● 响应时间:≤5ms;
● 过载能力:1.2倍过载1min;
● 输出电压总谐波畸变率(并网前):≤5%;
● 输出电流总谐波畸变率THD:≤3%;
● 系统电压不平衡保护,整定范围:4%~10%;
● 效率:额定运行工况≥99.2%;
● 运行温度:-20℃~+40℃;
● 贮存温度:-40℃~+65℃;
● 人机界面:采用中英文可设置的彩色触摸屏显示;
● 相对湿度:月平均值不大于90﹪(25℃),无凝露;
● 冷却方式:水冷;
● 安装方式:户内、集装箱(可选);
● 海拔高度:﹤2000m(高于2000m需定制);
● 地震烈度:≤8度。
FGSVG系列产品可广泛应用于石油化工、电力系统、冶金、电气化铁路、城市建设等行业中,为各种异步电动机、提升机、变压器、晶闸管变流器、变频器、感应炉、中频炉、电弧炉、电阻炉、石英熔炼炉、电力机车、起重机、冲压机、吊车、电梯、风力发电机、照明设备、电梯、电焊机、等设备提供高质量、高可靠性的无功补偿及滤波的解决方案。
FGSVG系列产品可以增强电力传输能力、减小电能损耗、补偿无功功率、治理谐波、抑制闪变、稳定电网电压、平衡三相系统、改变系统的阻尼特性、提高系统的稳定性。

注:容量(Mvar)表示从感性无功到容性无功动态调节范围内的额定最大调节容量。例如C2.0/10,表示:直挂式10kV、容量为±2Mvar的装置。能够在+2000kvar(感性)到-2000kvar(容性)范围内对无功进行连续平滑调节。

鲁公网安备 37083002000095号
鲁ICP备19001210号-1 Copyright © 2020 All Rights Reserved
