产品系列

通用型高压变频器
JD-BP37/38系列高压变频调速系统,以高速DSP为控制核心,采用空间矢量技术、功率单元串联多电平技术等多种先进控制技术,以高可靠性、易操作、高性能、小体积为设计目标,满足用户各类负载调速节能、改善生产工艺的需要,属高-高电压源型变频器。其谐波指标远小于IEE519-2014的国家标准,输入功率因数高,输出波形质量好,不必采用输入谐波滤波器、功率因数补偿装置和输出滤波器;不存在谐波引起的电机附加发热和转矩脉动、噪音、共模电压等问题,可适用于同步电机(含永磁同步电机)、异步电机。
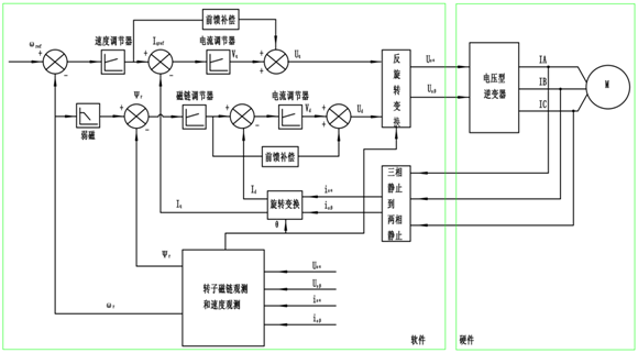
1、矢量控制、快速响应
通过测量和控制交流电动机定子电流矢量,根据磁场定向原理分别对交流电动机的励磁电流和转矩电流进行控制,从而达到控制交流电动机转矩的目的。启动转矩大,转矩动态响应快,控制精度高,带负载能力强。可驱动同步或异步电机,尤其适用于球磨机、皮带机、压缩机等冲击类负荷。

2、多机联动、功率平衡
变频器具备主从控制功能,多台变频器之间可通过数据总线组成主从控制网络。将其中的一台设为主机,其他设为从机,主机实时采集各从机的状态信息,同时发送给各从机频率、转矩指令,实现各台变频器的功率平衡和综合控制。该技术适用于皮带机、摩擦式提升机等需要功率平衡控制的场合。

3、波形显示、记录全面
主控系统实时监测输入电流、电压,输出电压、电流,并实现其波形的显示,还可对每相电压、电流进行谐波分析,有助于用户掌握设备的各种电量参数。

4、黑匣功能、智能分析
设备具有自动记录运行状态和显示的功能,可查看保护前后共计200个点(100ms)的输出电流、输出电压、设定频率、运行频率、输入电流和输入电压值,方便日常维护及快速异常诊断。

5、温度分段、提前预警
主控制系统实时监测并显示每个功率单元的温度,当多个单元温度超过设定警值时,给出声光报警,提示用户及时处理散热风机跳闸、滤网堵塞等问题。

6、无扰切换、避免冲击
变频切工频:变频器将电动机带到工频频率,通过对工频电网频率、相位和幅值进行检测,然后调整变频器输出与工频同频同相。调整完毕,将电动机连接到电网端后再脱开变频器。工频切变频:首先变频器通过检测工频电网频率、相位和幅值,变频器切入后直接输出相应的电压矢量到电机,最后将工频退出。该技术可满足多电机综合控制及大容量电机软启动的需要,最大电流小于等于额定电流,真正做到快速软切换和无大电流冲击。

7、高低穿越、波动无惧(100%-0%)
在用户主电源瞬时停电、瞬时跌落、厂用电网切换时,变频器能保证在限定时间内电网恢复后能够自动正常运行,增强电网适应性。可适应电网不同深度的Uo(100%-0%)电网跌落。

8、其他技术特点
双回路控制电源供电,稳定可靠。
高功率密度:单元体积小 ,模块化设计;整机结构紧凑,占用空间小。
直流制动技术:电机在旋转状态中(10Hz以下),通入直流制动电流,可将电机从旋转状态强制变为停止状态。
限流技术:变频器开机运行状态下,如果电流超过限制值,通过降频方式限制电流的增加,直到电流小于限制值,变频器恢复到正常运行频率。
过压失速技术:变频器在降频过程中,出现电机发电,母线升高时,变频器通过自动加长降频时间,防止由于母线过压导致的停机问题。
多种控制方式:可选择本机控制、远控盒控制、DCS控制;支持MODBUS、PROFIBUS等通讯协议;频率设定可以现场给定、通讯给定等;支持频率预设、加减速功能。
加减速自适应功能:变频器根据当前电机运行的负载电流调整加速时间或者限制电机运行频率,从而限制电流,实现加速过程中不过流的功能。变频器降频过程中根据母线电压的大小调整降频时间,从而达到降频过程中不过压的功能。